Приточная установка электрическая AVI E 31,5/380/2000 [Юг]
Структурная схема

Схема электрического подключения

Аэродинамические характеристики вентилятора

Таблица расхода воздуха в зависимости от управляющего сигнала

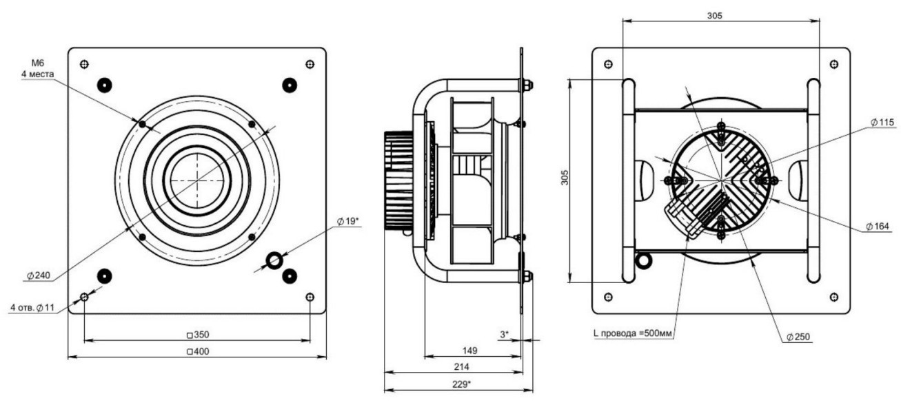
Габаритные и присоединительные размеры вентилятора

Схема подключения вентилятора

Электрическая приточная установка AVI E 31,5/380/2000 – это современное оборудование, предназначенное для эффективного воздухообмена в помещениях различного назначения. Благодаря высокому расходу воздуха в 2000 м³/час, данная модель идеально подходит для офисов, производственных и жилых помещений, обеспечивая свежий воздух и комфортный микроклимат.
Одной из главных особенностей установки является ее мощность – 31.5 кВт, что позволяет справляться с большими потоками воздуха и поддерживать необходимую температуру даже в условиях значительных температурных колебаний. Установка оснащена электрокалорифером, что делает ее особенно эффективной в холодное время года.
Модель AVI E 31,5/380/2000 разработана с учетом современных стандартов безопасности и комфорта. Корпус устройства выполнен из коррозионностойкой стали и имеет сэндвич-структуру с толщиной стенок 25 мм, что обеспечивает надежную теплоизоляцию. Благодаря этому, установка способна работать в диапазоне температур от -25 до +60 °C и при высокой влажности.
Управление установкой также продумано до мелочей. В комплект входит пульт управления с ЖК экраном, позволяющий легко настраивать параметры работы устройства. Пользователь может регулировать скорость вентилятора, а также контролировать температурные режимы, что значительно упрощает эксплуатацию.
Уровень звукового давления составляет всего 62 дБ (А), что позволяет использовать установку в помещениях, где важно поддержание тишины. При этом система защиты от перегрева и блокировки ротора гарантирует безопасность в процессе эксплуатации.
Приточная установка AVI E 31,5/380/2000 имеет универсальный монтаж, что позволяет устанавливать ее как вертикально, так и горизонтально. Это открывает дополнительные возможности для интеграции в различные интерьеры и архитектурные решения.
С учетом всех вышеперечисленных особенностей, данная модель идеально подходит для тех, кто ценит качество, надежность и функциональность. Установка обеспечивает не только эффективный воздухообмен, но и создание комфортной атмосферы в любых условиях, делая ее отличным выбором для бизнеса и домашнего использования.
Срок службы оборудования составляет до 40 000 часов, что делает его долгосрочной инвестицией в комфорт и здоровье. Установка также сертифицирована по международным стандартам, включая CE и ETL, что подтверждает ее высокое качество и безопасность.
В заключение, приточная установка AVI E 31,5/380/2000 является отличным решением для поддержания здорового микроклимата в помещениях, обеспечивая надежную и эффективную работу на протяжении многих лет.
Расход воздуха | 2000 м³/ч |
Мощность
Общая максимальная мощность вентиляционной установки. | 31.5 кВт |
Вид теплоносителя | Электрический |
Сечение канала | 500x250 мм |
Автоматика | Да |
Пульт управления | Да |
Вес | 10 кг |
Цвет | белый |
Полное название для заказа | AVI E 31,5/380/2000 |
Тип установки | Приточная |
Воздухообмен при нулевом давлении Па | 2000 м³ |
Статистическое давление Па | Согласно графику |
Тип нагревателя | Электрокалорифер |
Параметры вентилятора | 3560 об/мин | 577 Вт (AC) |
Тип двигателя вентилятора | EС |
Максимальная потребляемая мощность | 32.5 кВт-380 В |
Максимальный потребляемый ток | 55 А |
Напряжение питания | 380 В |
Количество фаз питания установки | 3 фазы |
Сечение канала вентиляционной установки | 500х250 / площ. 1250 см² |
Толщина и покрытие стенок корпуса | Сэндвич толщиной 25 мм (снаружи и внутри коррозионностойкая сталь, толщина изоляции 2.5 мм) |
Перегородка между секцией фильтра и секцией вентилятора | Оцинкованная сталь |
Пульт управления приточной установкой | с ЖК экраном |
Тип монтажа | Вертикальная / Горизонтальная |
Сторона обслуживания | Универсальная |
Гарантия на обслуживание | 36 месяцев |
Производитель | AVIMI |
Размер установки | Большой |
Характеристика установленного вентилятора | |
Номинальное напряжение | 230 В |
Диапазон напряжений | 176~264 В |
Частота | 50 Гц / 60 Гц |
Воздухообмен при нулевом сопротивлении | 3863 м³ |
Скорость оборотов в минуту | 3560 |
Сила тока | 1.9 А |
Потребляемая мощность | 577 Вт |
Статическое давление | 1109 Па |
Минимальная температура окружающей среды вентилятора | -25 °С |
Максимальная температура окружающей среды вентилятора | +60 °С |
Материал | Алюминиевый сплав (рабочее колесо) |
Срок службы | 40 000 часов (L10) При температуре 40℃ в помещении, относительной влажности 15% ~ 65%. |
Класс изоляции | Класс F |
Тип защиты | IP 55 |
Производственный стандарт | GB12350 «требования безопасности электродвигателей малой мощности», ДБ/T10563 «техническая спецификация для общих целей центробежные вентиляторы», EN60335-1 «бытовые и аналогичные электрические приборы-безопасность», ISO5801-1997 «Промышленные вентиляторы - тестирование производительности с использованием стандартных воздуховодов», GB/T2888 «Методы измерения шума для вентиляторов, воздуходувок, компрессоров и корнеплодов». |
Сертификат | CE, ETL (UL 507:2017 Ed.10+R:27 May2020, CSA C22.2#113:2018 Ed.11) |
Динамический баланс | В соответствии с требованиями стандарта JB/T 9101-1999 G6.3 |
Вибрация вентилятора | Метод испытания соответствует стандарту JB/T 8689 |
Защита окружающей среды | RoHS, Reach |
Электрозащита | |
Регулирование скорости | Управляющий вход 0 ~ 10 В постоянного тока / ШИМ/RS485 |
Контроль управляющим сигналом (напряжением, Вольт) | Диапазон напряжения управляющего сигнала VSP от 1 В постоянного тока до 9,5 В постоянного тока (При нормальной работе, когда напряжение VSP ниже 0,8 В постоянного тока, двигатель переключается из рабочего режима в режим ожидания) |
ШИМ-управление | ШИМ-сигнал: частота 1 К ~ 10 кГц, амплитуда 10 В, рабочий цикл 10% ~100% |
Выходной сигнал | Выход тахометра: 5 импульсов / R; Внутренний выход разомкнутой цепи FG, внешний подтягивающий резистор R, напряжение подтягивания V+ |
Вспомогательная выходная мощность | Выход 10 В постоянного тока, Максимальный ток 10 мА |
Защита | Защита от ограничения тока, защита от перегрева, Защита от перегрузки по току Защита от блокировки ротора |
Плавный пуск | Время задержки <30 секунд до полной скорости |
Последовательная связь | LWRS485-02 |

Приточно-вытяжная установка электрическая AVI PV E 9/380/2000 [Юг]505 445 ₽
Приточная установка электрическая AVI E 1,5/220/150 [Юг]148 333 ₽
Приточная установка электрическая AVI E 9/380/1000 [Юг]196 692 ₽


![Приточная установка электрическая AVI E 31,5/380/2000 [Юг]](/wa-data/public/shop/products/37/01/137/images/1211/1211.0x500.jpg)
![Приточная установка электрическая AVI E 31,5/380/2000 [Юг]](/wa-data/public/shop/products/37/01/137/images/1212/1212.0x500.jpg)
![Приточная установка электрическая AVI E 31,5/380/2000 [Юг]](/wa-data/public/shop/products/37/01/137/images/1213/1213.0x500.jpg)
![Приточная установка электрическая AVI E 31,5/380/2000 [Юг]](/wa-data/public/shop/products/37/01/137/images/1211/1211.0x96.jpg)
![Приточная установка электрическая AVI E 31,5/380/2000 [Юг]](/wa-data/public/shop/products/37/01/137/images/1212/1212.0x96.jpg)
![Приточная установка электрическая AVI E 31,5/380/2000 [Юг]](/wa-data/public/shop/products/37/01/137/images/1213/1213.0x96.jpg)

![Приточная установка электрическая AVI E 18/380/2000 [Юг]](/wa-data/public/shop/products/96/00/96/images/857/857.240.jpg)
![Приточная установка электрическая AVI E 18/380/2000 [Юг]](/wa-data/public/shop/products/96/00/96/images/858/858.240.jpg)
![Приточная установка электрическая AVI E 18/380/2000 [Юг]](/wa-data/public/shop/products/96/00/96/images/859/859.240.jpg)
![Приточная установка электрическая AVI E 54/380/3000 [Юг]](/wa-data/public/shop/products/05/01/105/images/893/893.240.jpg)
![Приточная установка электрическая AVI E 54/380/3000 [Юг]](/wa-data/public/shop/products/05/01/105/images/894/894.240.jpg)
![Приточная установка электрическая AVI E 54/380/3000 [Юг]](/wa-data/public/shop/products/05/01/105/images/895/895.240.jpg)
![Приточная установка электрическая AVI E 27/380/4000 [Юг]](/wa-data/public/shop/products/13/00/13/images/878/878.240.jpg)
![Приточная установка электрическая AVI E 27/380/4000 [Юг]](/wa-data/public/shop/products/13/00/13/images/879/879.240.jpg)
![Приточная установка электрическая AVI E 27/380/4000 [Юг]](/wa-data/public/shop/products/13/00/13/images/880/880.240.jpg)
![Приточная установка электрическая AVI E 27/380/3000 [Юг]](/wa-data/public/shop/products/03/01/103/images/875/875.240.jpg)
![Приточная установка электрическая AVI E 27/380/3000 [Юг]](/wa-data/public/shop/products/03/01/103/images/876/876.240.jpg)
![Приточная установка электрическая AVI E 27/380/3000 [Юг]](/wa-data/public/shop/products/03/01/103/images/877/877.240.jpg)
![Приточная установка электрическая AVI E 18/380/3000 [Юг]](/wa-data/public/shop/products/11/00/11/images/863/863.240.jpg)
![Приточная установка электрическая AVI E 18/380/3000 [Юг]](/wa-data/public/shop/products/11/00/11/images/864/864.240.jpg)
![Приточная установка электрическая AVI E 18/380/3000 [Юг]](/wa-data/public/shop/products/11/00/11/images/865/865.240.jpg)
![Приточная установка электрическая AVI E 18/380/2500 [Юг]](/wa-data/public/shop/products/10/00/10/images/860/860.240.jpg)
![Приточная установка электрическая AVI E 18/380/2500 [Юг]](/wa-data/public/shop/products/10/00/10/images/861/861.240.jpg)
![Приточная установка электрическая AVI E 18/380/2500 [Юг]](/wa-data/public/shop/products/10/00/10/images/862/862.240.jpg)
![Приточная установка электрическая AVI E 27/380/2500 [Юг]](/wa-data/public/shop/products/00/01/100/images/872/872.240.jpg)
![Приточная установка электрическая AVI E 27/380/2500 [Юг]](/wa-data/public/shop/products/00/01/100/images/873/873.240.jpg)
![Приточная установка электрическая AVI E 27/380/2500 [Юг]](/wa-data/public/shop/products/00/01/100/images/874/874.240.jpg)
![Приточная установка электрическая AVI E 40,5/380/3000 [Юг]](/wa-data/public/shop/products/04/01/104/images/887/887.240.jpg)
![Приточная установка электрическая AVI E 40,5/380/3000 [Юг]](/wa-data/public/shop/products/04/01/104/images/888/888.240.jpg)
![Приточная установка электрическая AVI E 40,5/380/3000 [Юг]](/wa-data/public/shop/products/04/01/104/images/889/889.240.jpg)
![Приточная установка электрическая AVI E 31,5/380/2500 [Юг]](/wa-data/public/shop/products/01/01/101/images/881/881.240.jpg)
![Приточная установка электрическая AVI E 31,5/380/2500 [Юг]](/wa-data/public/shop/products/01/01/101/images/882/882.240.jpg)
![Приточная установка электрическая AVI E 31,5/380/2500 [Юг]](/wa-data/public/shop/products/01/01/101/images/883/883.240.jpg)
![Приточная установка электрическая AVI E 40,5/380/2500 [Юг]](/wa-data/public/shop/products/02/01/102/images/884/884.240.jpg)
![Приточная установка электрическая AVI E 40,5/380/2500 [Юг]](/wa-data/public/shop/products/02/01/102/images/885/885.240.jpg)
![Приточная установка электрическая AVI E 40,5/380/2500 [Юг]](/wa-data/public/shop/products/02/01/102/images/886/886.240.jpg)
![Приточная установка электрическая AVI E 27/380/2000 [Юг]](/wa-data/public/shop/products/98/00/98/images/869/869.240.jpg)
![Приточная установка электрическая AVI E 27/380/2000 [Юг]](/wa-data/public/shop/products/98/00/98/images/870/870.240.jpg)
![Приточная установка электрическая AVI E 27/380/2000 [Юг]](/wa-data/public/shop/products/98/00/98/images/871/871.240.jpg)
![Приточная установка электрическая AVI E 22,5/380/2000 [Юг]](/wa-data/public/shop/products/97/00/97/images/866/866.240.jpg)
![Приточная установка электрическая AVI E 22,5/380/2000 [Юг]](/wa-data/public/shop/products/97/00/97/images/867/867.240.jpg)
![Приточная установка электрическая AVI E 22,5/380/2000 [Юг]](/wa-data/public/shop/products/97/00/97/images/868/868.240.jpg)